网站首页
公司简介
产品中心
服务范围
新闻中心
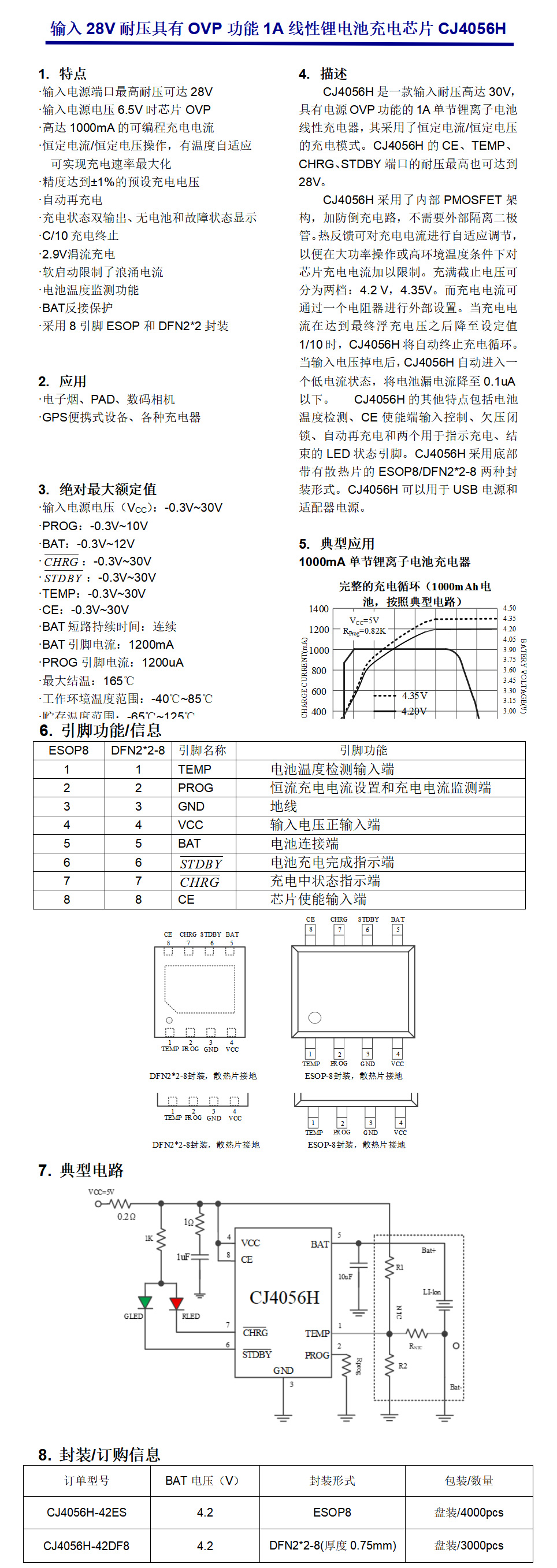
人才招聘
联系我们
高耐压充电管理芯片CJ4056H
1A充电,6.5V OVP,耐压25V,电池反接保护
返回顶部